欢迎进入上海茂硕机械设备有限公司网站!
 24小时热线电话:15214375780
24小时热线电话:15214375780
         介绍开关电源的几个概念
介绍开关电源的几个概念 更新时间:2024-01-15
更新时间:2024-01-15 点击次数:1271
点击次数:1271
          1、纹波
    开关电源的输出并不是真正恒定的,输出存在着周期性的抖动,这些抖动看上去就和水纹一样,称为纹波。纹波可以是电压或电流纹波。
    通常用2个参数来描述纹波:
1)最大纹波电压:纹波的峰峰值。
2)纹波系数:交流分量的有效值与直流分量之比。

2、纹波产生的原因
    开关电源的纹波来自2个地方:
    1)低频纹波:来自AC输入的周期,电源对输入的抑制比不是的,当输入变化,输出也会变化。
    2)高频纹波:来自开关切换的周期,开关电源不是线性连续输出能量,而是将能量组成一个个包来传输,因此会存在和开关周期相对应的纹波。
    如果是线性电源,是没有开关纹波的,只有低频纹波。

3、纹波的影响
    最大纹波会决定输出的峰值,本来输出是稳定的某个电压或电流,由于纹波的影响,使得输出的峰值比平均值高,这可能会损坏负载。
    比如,对LED来说,过高的电流会减少LED的寿命。
    过大的纹波系数会使得输出的能量不均衡平滑,从而偏离了直流输出这个要求。
    比如,对LED来说,过大的纹波系数会使得LED亮度变化,造成闪烁。
如果开关电源用来驱动电池,LED灯这种负载,低频纹波的影响更大,如果是驱动IC这种高速型负载,高频纹波的影响更大。
4、纹波与噪声
    纹波是由于AC周期或开关周期引起的输出抖动,而噪声是随机耦合到输出上的高频信号,是不一样的。

1、调整率
    电源在使用时,有两个明显变化的外部条件:输入和负载。好的电源应该在输入和负载发生变化时,依然能维持恒压或恒流。
    将输入或负载变化时,输出偏离额定输出的程度称为调整率,比如输入在最大最小值之间变化,测量输出的偏差比率,为一个百分比,比如5%,就称为调整率为±5%。
注意区分调整率和纹波,纹波是输出的动态特征,而调整率是让电源工作在极限外部条件下,输出的极限偏差。

2、调整率类型
    1)输入调整率
    其他条件不变,调节输入时,输出的偏差,对于AC电源来说,是以AC线的有效电压作为变化区间,比如以180~264作为上下限来变化。
    有时还会调节AC的频率,来看输出是否有偏差,比如从47~63Hz区间。
    2)负载调整率
    其他条件不变,调节负载时,输出的偏差。
    3)综合调整率
    同时调节输入和负载,找出最差的偏差。
1、LED恒流驱动
    为什么照明用LED都是电流驱动?
    LED是二极管,而二极管的PN结的正向导通阻抗是负温度系数,随着温度的升高,二极管正向导通阻抗降低。
    如果用恒压源驱动LED,随着LED工作,温度开始升高,温度升高后,正向导通阻抗降低,由于I=U/R,电流升高,且由于功率P=U*I,功率也增加,LED发热更厉害,进一步刺激温度升高,陷于恶性循环,直到LED损坏。
    恒压源驱动时,温度和电路是一对正反馈。
    所以照明LED都是恒流驱动,如果是非照明,LED几乎没有温升,此时可以用恒压驱动。
2、恒流精度
    恒流精度和其他的恒压效果一样,体现在几个方面。
    1)当负载发生变化时,电源输出的电流的恒定程度。
在实际应用时,多个不同的LED串不可能阻抗特性相同,将这些不同的负载接到电源上后,电流的误差就定义为恒流精度。
    不光是多负载,同一个LED,温度不同时,阻抗特性也不同,不同温度下电流也是有误差的,但这和前面的条件本质还是一样,都是负载变化。
    因此在测试恒流精度时,需要使用电子负载,让负载在合理的范围内变化,测量电压的电流误差。
    2)当电源内部元件参数变化时,电源输出的电流的恒定程度。
    这并不是标准的恒流精度的定义,但目前很多电源都是有这个要求,其中一个重要的指标是储能元件,比如电感,或变压器,感值存在误差时,电源输出电流的恒定度。
    考虑到成本因素,储能元件在加工时偏差是很大的,所以,电源应当设计成对储能元件的感值不敏感。
3、锂电池恒流驱动
    便携式设备所用的锂电池,在不同电量的情况下,电压是不同的,以手机所用的锂电池为例,电池在满能量时约4.2V,低能量时约2.5V。
    如果使用恒压源对电池充电,当电池电量较低时,充电电流会极大,相当于电压源接到电容上,会损坏电池。
    损坏的原因是大电流带来的大发热。
    为了限制大电流,目前的充电器都是使用恒流-恒压充电,当电池电压低时,使用恒流输出。
1、冲击电流
    如果负载为一个容性负载,将一个电压源直接加到负载上时,会产生一个非常大的电流,这个电流就称为冲击电流。
    过大的冲击电流会使得交流线上的保护电路识别为短路,会导致空气开关跳闸,熔断保险丝等问题。
对于AC电源来说,将电源接到AC线上的一瞬间,AC电源本身就是一个容性负载,假如此时电源的负载处在满负荷状态,且AC线正处在峰值电压处,会产生最大的冲击电流。

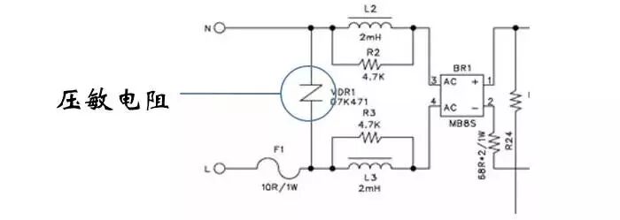
2、浪涌(电压)
    闪电,雷击等会在电网上制造时间非常短的高电压脉冲或者高能量脉冲。
    这种过压通常是由专门的保护器进行保护,比如浪涌放电器。
    大功率设备断开或接入电网时,会使得电网电压上升或跌落。为了保护电源,有时会使用一个压敏电阻接在输入端。
    压敏电阻的阻值和其上的电压有关,当电压变大时,阻值降低。
    为什么压敏电阻不能包含雷击等产生的脉冲,因为这种浪涌有可能是同时出现在L线和N线上的。

1、效率和待机功耗
这两个概念很简单,但有一点需要理清,就是电源在工作时:

    虽然待机功耗就是电源本身的全部损耗,但是在电源带负载时,电源本身的功耗要大于待机功耗。
    电源本身的功耗主要来自于电感/变压器的损耗,开关管的损耗,二极管的损耗,这些损耗都和切换频率有关,而目前的开关电源,在输出功率很低时,都会将频率降低以节能,所以电源本身的功耗在带负载工作时和待机时是不同的。
    但是效率是随着负载消耗增加而升高的,这个很好理解,待机时效率为0,而带负载时,电源本身功耗的增加跟不上负载消耗的增加。
1、电容ESR
    开关电源都需要在输出加一个电容,将切换电路投递过来的断续能量平滑成稳定的线性输出,这个电容的重要性不言而喻。
    一个非理想因素就是所有的电容都有等效串联电阻(ESR),这个电阻会导致一系列问题。
    电容稳压的原理就是当VO电压上升时,吸入电流,将能量存储于电容,当VO电压下降时,吐出电流,释放能量。这个过程中,电流始终流过ESR。

2、ESR导致的纹波
    ESR是输出高频电压纹波的罪魁祸首,当电容储能和释能时,电流方向相反,因此输出在VO=VC+VESR,和VO=VC+VESR之间切换,ESR越大,纹波电压越大。

3、电解电容ESR的危害
    为了降低成本,通常输出电容会使用偏移的电解电容,但是电解电容的ESR是较高的。
    ESR大小:电解电容>钽电容>陶瓷电容。
    对于电解电容来说,高纹波电压倒在其次,要命的是ESR会导致电容发热,电流越大,发热越厉害,发热越厉害,电解电容的电解液蒸发得越快,随着电解液的蒸发,ESR加大,发热更高,陷入恶性循环。
    电解电容本身就寿命不高,是电源系统中寿命最短的器件,由于ESR导致的发热,会加快电解电容报废,所以开关电源随着时间的推移,纹波电压会越来越大。
4、解决ESR的问题
    解决方法是降低ESR阻值或降低流过ESR的电流,降低流过ESR的电流比较麻烦,比较简单的方法是降低ESR阻值。
    可以采用低ESR的电解电容替代普通电容,或者用多个电容并联来替代单个电容。
    多个电容并联的方法缺点是占用大量的空间,在小体积电源中应用受限,所以有时会用陶瓷和电解电容并联的方法,甚至用一种多层陶瓷电容替代多个陶瓷电容。

1、动态响应
    通常动态响应特指电源的输入,负载阶跃变化所导致的输出被扰动后恢复正常的过程。
    AC电源的输入为不间断交流,一般不关心输入的阶跃变化,动态响应通常仅限于描述负载在一定范围内变化时的响应。
    通常定义空载为0%,满载为100%,然后用负载在某2个百分比之间的切换来定义负载变化。
    常用的负载变化有0-100、10-90、20-80、25-75,取决于应用,对于充电器这类需要热插拔的应用,最大的变化在0-100。
2、动态响应的指标
    动态响应一般有2个指标,一个叫过冲幅度,另一个叫稳定时间。
    过冲幅度定义为输出偏离稳定值的幅度,有上冲和下冲。
    稳定时间是负载开始变化到输出达到能接受的范围内的时间。

3、动态响应和阶跃响应
    阶跃响应,指的是输入阶跃,输出跟着阶跃,也就是说输出要尽快的变到目标值,而动态响应指的是负载阶跃,输出要尽快的稳定下来。这两者在形式上不同,但本质是相同的。
    以恒压输出为例,当负载突变时,为了维持电压恒定,需要调整电流,电流调整的过程,通过负载就会表现出电压的波动,所以,负载的动态响应,其本质就是负载-输出电流这个传递函数的阶跃响应。

4、动态响应的系统框图
    将Load视为输入,IOUT和VOUT视为输出。
    将Load视为输入后,REF就是固定值,整个系统的传递函数变为Load-IOUT的传递函数。
    对于负载非阻性的应用,比如电池等,也将其模拟为电阻。
    将一般性电源系统适用于动态响应的系统框图重画如下:

15214375780
 扫描微信号
扫描微信号