欢迎进入上海茂硕机械设备有限公司网站!
 24小时热线电话:15214375780
24小时热线电话:15214375780
         8例精选电气自动控制电路图,小白也能轻松学会~
8例精选电气自动控制电路图,小白也能轻松学会~ 更新时间:2023-03-16
更新时间:2023-03-16 点击次数:1440
点击次数:1440
          时常有新手电工在后台咨询小编:我不会识图,对电工作业有什么影响?
小编的回答通常是,当然有影响 !识图是基础,告别土电工! 识图是进阶,提升自己的必学知识!
为何一直强调识图的重要性呢?很简单真的重要。拿电气成套行业为例,一般有一次安装、二次接线、成套报价、售后维修、电气设计等岗位,基本所有岗位都需要有识图基础,就是需要你能看懂图纸,按图操作。哪怕是二次接线,有些地区也是看原理图接线!
总结为一句话:只有掌握了识图技巧及如何识图?才能往更高层次的方向发展,如电气设计。
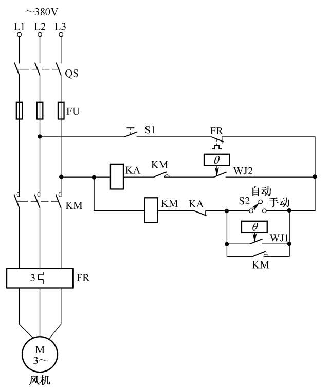
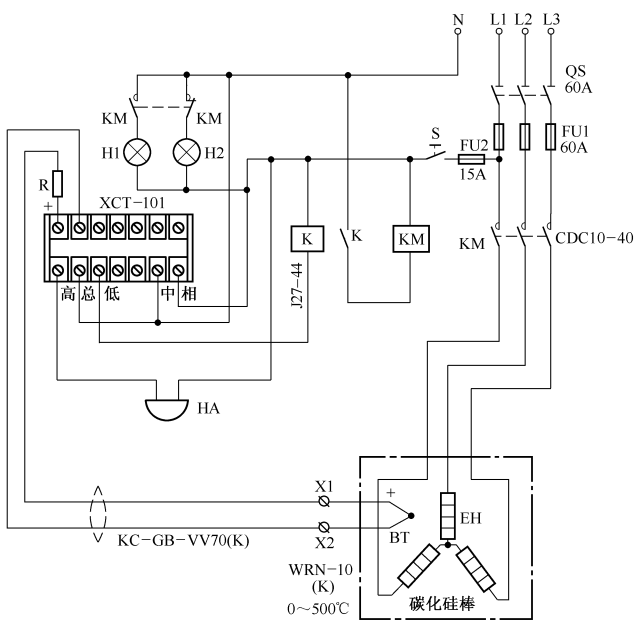
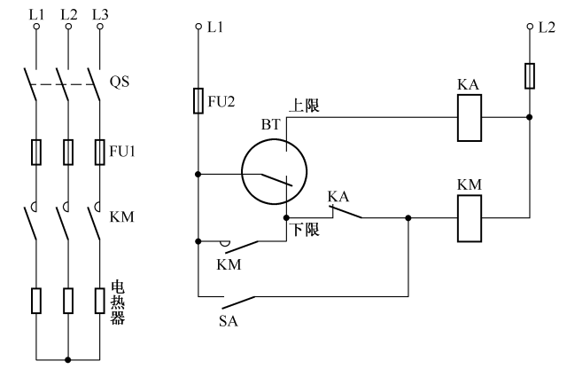
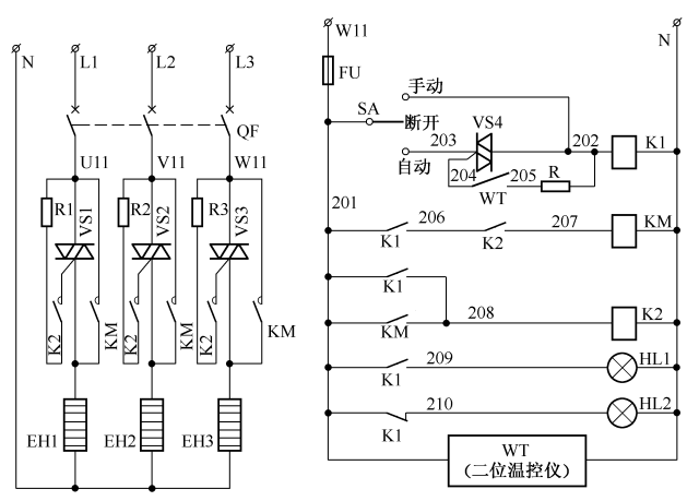
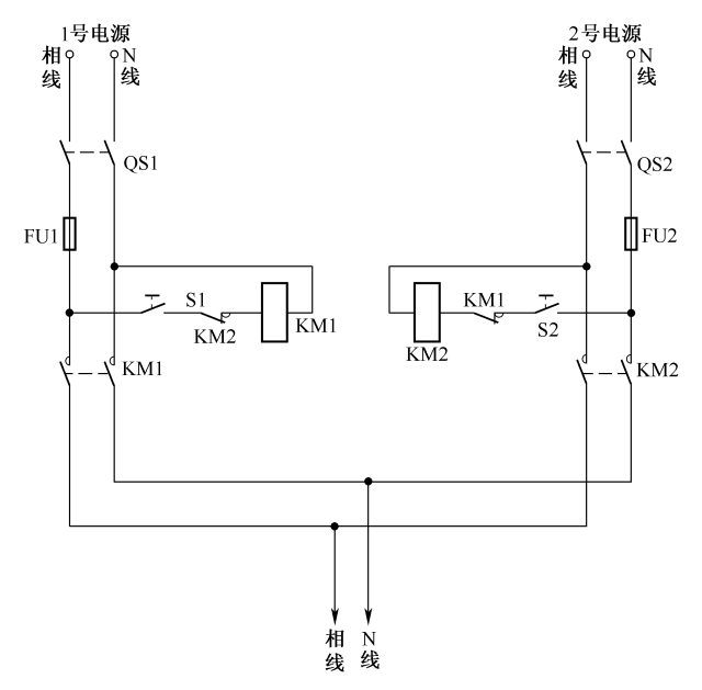
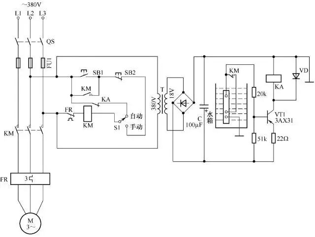
为了更加形象、直观地学习并应用电气自动控制系统,本文整理了28个电气自动控制电路图的实例,以供参考。
































 
              15214375780
 扫描微信号
扫描微信号